
聯系我們
INA KR19-PP

- 型號:
- KR19-PP
- 品牌:
- INA
- 系列:
- KR..-PP
- 內徑:
- 8 mm
- 外徑:
- 19 mm
- 厚度:
- 32 mm
- 起訂量:
- ≥ 1套
- 物流:
- 全國配送 
- 電話:
 
       恩梯必專業銷售INA KR19-PP,能為客戶提供各種技術服務,軸承選型及型號替代等解決方案,需要KR19-PP最新規格、圖紙、報價等資料可聯系我司銷售部!
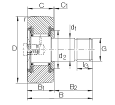
- 尺寸
- D
- 19
- mm
 
- d1
- 8
- mm
- 公差:h7
 
- B
- 32
- mm
 
- B1 max
- 12.2
- mm
 
- B2
- 20
- mm
 
- C
- 11
- mm
 
- C1
- 0.6
- mm
 
- G
- M8 (x1.25)
 
- IG
- 10
- mm
 
- rmin
- 0.15
- mm
 
- 重量
- m
- 29
- g
- 質量
 
- 鎖緊力矩
- MA
- 8
- Nm
- 螺母的鎖緊力矩
 
- 基本額定載荷
- Cr w
- 3500
- N
- 滾輪的有效額定動載荷(徑向)
 
- C0r w
- 4000
- N
- 滾輪的有效額定靜載荷(徑向)
 
- 疲勞極限載荷
- Cur w
- 540
- N
- 疲勞極限載荷
 
- 極限轉速
- nD G
- 11000
- r/min
- 轉速(脂潤滑下連續運轉)
 
- 說明
- NIPA1
- 緊配合潤滑嘴 輕壓配合潤滑油嘴松散提供。 只能使用所提供的潤滑油嘴。
 
- 只有法蘭端有再潤滑孔,該端面帶有安裝時防止轉動的長槽。
 
- 尺寸
- d2
- 15
- mm
 
相關型號推薦:
KR19-PP  
KR19-SK-PP  
KR19  
KRV19-PP  
熱門型號排行榜: FAG BND2272-Z-T-AL-S FAG BND2272-Z-T-BF-S FAG BND2272-Z-T-BL-S FAG BND2276-Z-T-AF-S FAG BND2276-Z-T-AL-S FAG BND2276-Z-T-BF-S FAG BND2276-Z-T-BL-S FAG BND2280-Z-T-AF-S FAG BND2280-Z-T-AL-S FAG BND2280-Z-T-BF-S FAG BND2280-Z-T-BL-S FAG BND2284-Z-T-AF-S
   	  熱門型號排行榜: FAG BND2272-Z-T-AL-S FAG BND2272-Z-T-BF-S FAG BND2272-Z-T-BL-S FAG BND2276-Z-T-AF-S FAG BND2276-Z-T-AL-S FAG BND2276-Z-T-BF-S FAG BND2276-Z-T-BL-S FAG BND2280-Z-T-AF-S FAG BND2280-Z-T-AL-S FAG BND2280-Z-T-BF-S FAG BND2280-Z-T-BL-S FAG BND2284-Z-T-AF-S
FAG軸承型號搜索
FAG-INA軸承產品中心
 
	產品中心
產品搜索
類別目錄
四川恩梯必有限公司 版權所有


